

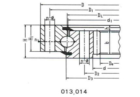
| select | Inquiry | Designations | Boundary Dimension (mm) | Bolt Hole Diameter (mm) | Gear Parameters | Basic load ratings(KN) | Weight | |||||||
|---|---|---|---|---|---|---|---|---|---|---|---|---|---|---|
| D | d | H | D1 | D2 | n1 | n2 | m | Da | Z | (Kg) | ||||
| 013.30.500 | 602 | 398 | 80 | 566 | 434 | 20 | 18 | 0.83333333333333 | 365 | 74 | 1290 | 75.8 | ||
| 014.30.500 | 602 | 398 | 80 | 566 | 434 | 20 | 18 | 6 | 366 | 62 | 1290 | 75.8 | ||
| 013.30.560 | 662 | 458 | 80 | 626 | 494 | 20 | 18 | 5 | 425 | 86 | 1440 | 94 | ||
| 014.30.560 | 662 | 458 | 80 | 626 | 494 | 20 | 18 | 6 | 426.517 | 72 | 1440 | 94 | ||
| 013.30.630 | 732 | 528 | 80 | 696 | 564 | 24 | 18 | 6 | 492 | 83 | 1870 | 110 | ||
| 014.30.630 | 732 | 528 | 80 | 696 | 564 | 24 | 18 | 8 | 488 | 62 | 1870 | 110 | ||
| 013.30.710 | 812 | 608 | 80 | 776 | 644 | 24 | 18 | 6 | 570 | 86 | 2120 | 120 | ||
| 014.30.710 | 812 | 608 | 80 | 776 | 644 | 24 | 18 | 8 | 568 | 72 | 2120 | 120 | ||
| 013.40.800 | 922 | 678 | 100 | 878 | 722 | 30 | 22 | 8 | 632 | 80 | 3130 | 256 | ||
| 014.40.800 | 922 | 678 | 100 | 878 | 722 | 30 | 22 | |||||||